Photovoltaique.info
Photovoltaique.info
Photovoltaique.info
Consentement d'utilisation des Cookies

Notre site sauvegarde des traceurs textes (cookies) sur votre appareil afin de vous garantir de meilleurs contenus et à des fins de collectes statistiques.Vous pouvez désactiver l'usage des cookies en changeant les paramètres de votre navigateur. En poursuivant votre navigation sur notre site sans changer vos paramètres de navigateur vous nous accordez la permission de conserver des informations sur votre appareil. J'accepte

Batteries, stockage virtuel et autres accessoires

Les batteries

Un moyen d'augmenter le taux d'autoconsommation qui reste limité et peut dégrader le modèle économique et l'impact environnemental

Les batteries permettent de :

  • stocker le surplus d'électricité produit par les systèmes photovoltaïques lorsque la production dépasse la consommation,
  • et de la restituer lorsque la consommation dépasse la production.

La production de milieu de journée peut ainsi être stockée et restituée en fin de journée ou dans la soirée lorsque la demande en électricité est plus importante.

Cela permet d'augmenter le taux d'autoconsommation d'un système photovoltaïque, mais ne permet pour autant que rarement d'atteindre une autoconsommation totale de la production.

Le stockage virtuel

Un moyen pour stocker sans batteries

Certains fournisseurs d'énergie proposent des offres de stockage d'électricité dans des "batteries" virtuelles. Ces offres permettent à un producteur d'électricité photovoltaïque de stocker virtuellement des kWh qui n'auraient pas été autoconsommés afin de les utiliser ultérieurement lorsque l'installation photovoltaïque ne produit pas (la nuit par exemple).

Les kits solaires Plug and Play

Qu’est-ce que c’est ?

Un kit photovoltaïque Plug and Play est un produit photovoltaïque prêt à l’usage qui se branche directement sur une prise électrique standard. Sa production est destinée uniquement à être autoconsommée , sans injection ni vente d’électricité. Il sert donc à réaliser des économies sur le talon de consommation d’électricité en journée (ventilation, frigo, congélateur etc.).
Il est composé d’un ou plusieurs modules photovoltaïques, d’un micro-onduleur, d’un câble de connexion AC (avec ses éventuels connecteurs) et optionnellement d’un compteur.
Fixé ou simplement posé, il peut être positionné à différents endroits : au sol, sur un mur, en toiture, sur un balcon etc.
En 2023, sa puissance est en général de 300 à 400 Wc pour un panneau et un prix de 600 à 800 euros TTC. Certains modèles comportent deux panneaux, il faut alors s’assurer d’avoir un talon de consommation supérieur à la puissance installée. Au-delà de deux panneaux, il est rare d’avoir une consommation résiduelle suffisante, et il faut dans tous les cas être vigilant sur le câblage qui doit être correctement dimensionné. Attention à ne pas surcharger la prise de courant qui n’a peut-être pas été prévue pour supporter une telle puissance.

2024 kit presentation.pngsource : guide “kit photovoltaïque autoconsommation Plug and Play”, SER/Enerplan/ADEME, 2023

Les box pour l'autoconsommation

Pourquoi vouloir optimiser son autoconsommation

Lorsque l'on valorise sa production via l'autoconsommation et un contrat de vente du surplus, il est avantageux économiquement de maximiser son taux d'autoconsommation. Effectivement, dans de nombreux cas le prix de vente du kWh de surplus est souvent inférieur au prix d'achat du kWh, il est donc plus intéressant économiquement de valoriser les kWh produit sous la forme de l'autoconsommation qu'en l'injectant sur le réseau.

Dans ce contexte, il peut être tentant de diminuer la taille de leur installation, pour limiter le surplus non autoconsommé sur place. Cela a pour conséquence de diminuer la contribution du système aux objectifs de la transition énergétique (sous-dimensionnement par rapport au potentiel de la toiture) et d'augmenter le coût de l'installation en €/Wc (coût du matériel plus élevé en petite quantité).

Pour maximiser son taux d'autoconsommation sans diminuer la taille de son installation, il reste envisageable de piloter les consommations du bâtiment.

Pour cela, il est possible de décaler "manuellement" ses consommations, en effectuant par exemple ces machines à laver lors des pics de production, mais aussi d'utiliser des dispositifs de pilotage de charges, parfois appelés "box autoconsommation".

Les panneaux hybrides

Les panneaux dits hybrides sont composés de capteurs photovoltaïques et d’un système d'échange de chaleur à eau permettant de produire de l’eau chaude et, par la même occasion, de refroidir le panneau. Cette eau peut alors être utilisée pour produire de l'eau chaude sanitaire ou pour des besoins de chauffage.

Cette solution permet de combiner production d’électricité et de chaleur pour une surface en toiture limitée. Le refroidissement des panneaux grâce au circuit d’eau permet une légère augmentation de leur rendement par rapport à une installation intégrée purement photovoltaïque.

Les panneaux aérovoltaïques

Les systèmes aérovoltaïques sont des capteurs photovoltaïques dont la face arrière est ventilée dans le but de récupérer de l'air chaud pour le diffuser dans une zone à chauffer ou dans la prise d’air d’un ballon thermodynamique. La ventilation des panneaux permet une légère augmentation de leur rendement par rapport à une installation intégrée simple.

Les technologies de stockage

Définitions

Un dispositif de stockage de l'électricité permet de capter de l'électricité à un instant t, de la garder, et de la restituer plus tard moyennant une certaine perte liée au rendement du système. Il peut être mécanique (ex: station de transfert d'énergie par pompage, volant d'inertie),  électrochimique (ex: batteries au plomb, batterie lithium-ion...) ou même se faire sous forme d'hydrogène.

Etant donné les caractéristiques propres à chaque technologie de stockage (puissance, capacité énergétique, taux de décharge, réactivité), les batteries semblent répondre au mieux aux besoins des producteurs photovoltaïques.

Les batteries d'accumulateurs, souvent dénommées simplement batteries, sont des regroupements d'accumulateurs électrochimiques connectés en série ou en parallèle afin d'obtenir les niveaux de tension et d'intensité désirés.

Technologies

Il existe différentes technologies de batteries:

  • les batteries au plomb sont par exemple une technologie mature et peu chère, mais avec une faible durée de vie et une faible densité énergétique,
  • les batteries au nickel ont une durée de vie plus importante mais subissent des niveaux d'autodécharge très importants,
  • les batteries lithium-ion ont une grande densité énergétique, une durée de vie conséquente et un niveau d'autodécharge relativement faible ; cette technologie étant encore jeune, son prix est encore assez élevé, mais est voué à diminuer.

Les batteries au plomb ont longtemps été privilégiées pour un couplage avec les systèmes photovoltaïques, notamment dans le cas des sites isolés, mais elles ont été supplantées par les batteries lithium-ion ces dernières années.

Caractéristiques moyennes des différentes technologies de batterie en 2019 (Crédit : Programme PACTE)
  Plomb Nickel-Cadmium Nickel-Métal_hydrure Lithium-Ion
Tension cellule 2,0V 1,2 V 1,2 V 3,6 à 3,7V
Energie spécifique 25-50 Wh/kg 30-60 Wh/kg 50-90 Wh/kg 100-230 Wh/kg
Cycles 200-500 1 000-1 500 1 000 500-3 000
Domaine de température 0°C à 50°C -30°C à 50°C -20°C à 50°C -20°C à 50°C
Autodécharge* ~5 %/mois ~15 %/mois ~25%/mois ~2 %/mois
Durée de vie calendaire 5 ans 10 ans 5-10 ans 5-15 ans
Prix kWh (Pb base 100) 100 300 350 300 à 350
Temps de charge standard 10 h 5 h 3-5 h 3

*L'autodécharge d'une batterie est la réduction naturelle et progressive de son taux de charge lorsqu'elle n'est pas utilisée. L'autodécharge se produit en particulier lorsque la batterie n'est pas sollicitée pendant une période prolongée.

systèmes photovoltaïques avec batterie

Rôle de la batterie

Dans le cadre d'un projet photovoltaïque en autoconsommation totale ou partielle, l'installation d'une batterie peut permettre d'augmenter le taux d'autoconsommation (part de l'électricité photovoltaïque produite qui est directement consommée sur place). Lorsque la production est supérieure à la consommation, l'électricité excédentaire est stockée dans la batterie; elle est ensuite déstockée quand la consommation est supérieure à la production.

Le gain apporté par une batterie peut être évalué en phase de faisabilité en comparant la courbe de charge du bâtiment à un pas de temps horaire ou infra-horaire à des simulations de production du système photovoltaïque. Des logiciels permettent même d'optimiser le dimensionnement de la batterie en fonction d'objectifs précis.

Dans le cas où l'installation bénéficie d'un contrat d'obligation d'achat, il est stipulé qu'un dispositif technique doit être installé afin d'assurer que la batterie est uniquement chargée à partir d'électricité provenant du système photovoltaïque.

Evaluation technique

Plus la corrélation entre consommation et production est faible plus le gain apporté par une batterie est grand.

Dans un objectif de maximisation du taux d'autoconsommation d'un système PV, la plus-value apportée par la batterie est liée à la corrélation existante entre la consommation du bâtiment et la production photovoltaïque.

Evaluation économique

Il est rarement rentable d'installer un système de stockage pour une opération d'autoconsommation en France.

En permettant d'augmenter le taux d'autoconsommation d'un système PV, la batterie permet de faire des économies sur la facture d'électricité. Cependant, dans le cadre d'une opération en autoconsommation avec vente du surplus, la consommation supplémentaire d'électricité produite sur place est faite au détriment de la vente d'électricité. Le gain économique généré par une batterie dépend donc directement du gain technique qu'elle apporte en terme d'augmentation de l'autoconsommation.

Face à cela, les coûts supplémentaires induits par l'installation d'une batterie sont aujourd'hui très importants. Cela est principalement lié au coût du matériel dans un marché français encore émergent.

Protections

Un certain nombre d'organes de protections doivent être mis en place pour les systèmes PV avec batterie. Les protections spécifiques aux systèmes avec stockage sont listées dans la norme expérimentale XP C 15-712-3.

Le cas Allemand

Fin 2018, l'Allemagne comptait plus de 120 000 installations photovoltaïques combinées avec une batterie. En France, ce chiffre ne dépassait pas les quelques milliers. Pourquoi une telle différence entre les deux marchés ?

Cela réside essentiellement dans l'équilibre économique de ce type de projet.

Prenons l'exemple d'un particulier, avec un contrat de fourniture d'électricité de 6 kVA et possédant un système photovoltaïque de 3 kWc.

En France, ce particulier achète son électricité aux alentours de 15 c€/kWh, et peut vendre sa production photovoltaïque un peu plus de 18 c€/kWh (en cas de contrat d'achat en vente de la totalité). Il n'y a pas d'incitation économique à autoconsommer sa production photovoltaïque.

En Allemagne, ce même particulier dépense en moyenne 30 c€/kWh d'électricité consommé, soit presque le double qu'en France, et n'est rémunéré qu'un peu plus de 10 c€/kWh photovoltaïque produit. Il y a une forte incitation économique à autoconsommer l'énergie produite.

Impact écologique des batteries Lithium-ion

L'impact environnemental d'un projet photovoltaïque, initialement positif, peut se trouver dégradé par l'ajout d'une batterie.

Les batteries lithium-ion étant les plus installées aujourd'hui, ce sont elles dont l'impact écologique est analysé ici. L'analyse de cycle de vie d'un système photovoltaïque est quant à elle détaillée dans l'article "Impact environnemental de la fabrication".

La majorité du lithium mondial provient du "Triangle du Lithium", répartie sur les territoires argentins, boliviens et chiliens. Son extraction nécessite un très gros volume d'eau et peut être source de pollution pour l'environnement alentour avec la libération possible de produits chimiques. L'utilisation de cobalt et de nickel, qui sont deux métaux dont l'extraction est toxique, alourdit l'impact écologique de ces batteries au lithium. En 2017, 60% du cobalt utilisé dans le monde provenait de mines en République Démocratique du Congo au sein desquelles Amnesty International et African Resources Watch (Afrewatch) ont identifié des atteintes aux droits humains et du travail d'enfants.

Le coût écologique d'une batterie stationnaire peut cependant être diminué en utilisant par exemple des batteries usagées de véhicules électriques qui ne sont plus assez performantes pour de la mobilité.

Contrairement aux batteries au plomb, il n'existe pas de filière de recyclage des batteries lithium-ion. En fin de vie, les batteries peuvent donc être source de pollution tant qu'une filière de recyclage adaptée n'est pas mise en place.

Dernière Mise à jour : 21/10/2024

Un raccordement classique en injection du surplus

Comme son nom l'indique, une batterie virtuelle n'existe pas physiquement et il n'y a donc aucune différence technique au niveau de l'installation par rapport à un système photovoltaïque en autoconsommation avec vente du surplus.

En réalité, le surplus de production d'électricité est comptabilisé puis injecté sur le réseau. Puis, lorsqu'on utilise les kWh stockés dans la batterie virtuelle, on consomme en réalité de l'électricité du réseau. Ainsi, dans tous les cas, l'installation devra être raccordée au réseau public de distribution d'électricité en injection du surplus.

A noter qu'en cas de défaillance du réseau, la batterie virtuelle ne pourra en aucun cas assurer l'approvisionnement en électricité.

Pas de prime à l'autoconsommation dans le cas du stockage virtuel

Une électricité injectée qui n'est pas vendue mais créditée

puis perçue après paiement de contributions et taxes

Faire de l'autoconsommation avec stockage virtuel ne permet pas de percevoir de prime à l'autoconsommation ni de tarif rémunéré tel que prévu dans le cadre de l'obligation d'achat.

Souscrire à une offre de stockage virtuel implique de souscrire son contrat de fourniture d'électricité après du fournisseur de l'offre de batterie virtuelle. Il convient donc de se renseigner sur les tarifs de vente pratiqués par ce fournisseur.

De plus, l'électricité consommée après avoir été stockée dans la batterie virtuelle n'est pas gratuite. En effet, en plus du coût facturé par le fournisseur pour le service de batterie virtuelle, le consommateur doit s'acquitter des taxes et contributions sur les kWh issus de la batterie virtuelle puisque ces derniers sont acheminés par le réseau (Contribution au Service Public de l'Electricité, Taxe Départementale sur la Consommation Finale d'Electricité et Taxe Communale sur la Consommation Finale d'Electricité, TURPE). Sur le montant d'une facture d'électricité d'un particulier, ces taxes et contributions représentent environ 50% du prix HT.

A noter que dans certaines offres, la batterie est automatiquement vidée selon des périodes définies contractuellement (tous les mois par exemple), ce qui peut également impacter le modèle économique (par exemple, lors des fortes productions l'été et des potentiellement faibles consommations à cette même période).

Il faut aussi noter qu'il n'est pas facile de calculer la rentabilité d'une offre de batterie virtuelle. Selon l'opérateur choisi, l'offre peut être  constituée d'une part fixe de "frais d'entrée" et/ou d'un abonnement mensuel. Le coût de cet abonnement peut être basé sur la puissance de l'installation photovoltaïque (coût en euros par kWc) ou bien en fonction de la "capacité" de la batterie (coûts en euros par kWh de "stockage" disponible). Enfin, les offres de batterie virtuelle ne permettent pas de garantir une rentabilité sur le long-terme car les prix sont révisés régulièrement.

Stockage virtuel ou vente du surplus ?

L'avantage du stockage virtuel est qu'il n'est pas nécessaire de respecter les conditions d'application de l' arrêté tarifaire en vigueur pour pouvoir y souscrire. Une attestation CONSUEL est cependant nécessaire pour s'assurer de la conformité de l'installation.

Pour les producteurs ne pouvant pas avoir accès à l'obligation d'achat, cela permet de valoriser le surplus de production d'électricité photovoltaïque à un prix plus élevé que s'il était vendu à un acheteur sur le marché. Dans le cas du stockage virtuel, l'économie réalisée grâce au surplus de production ("stocké" virtuellement) est égale au prix du kWh du contrat de fourniture, auquel il faut retrancher les contributions et taxes (à savoir, le TURPE et l'accise). Cela équivaut à une économie d'environ 0,20 €HT/kWh (hors abonnement) par rapport au tarif réglementé (valeur S1 2024), contre 0,04 à 0,05 €HT/kWh s'il est vendu à un acheteur hors obligation d'achat.

On peut aussi relever que les offres de batteries virtuelles sont souvent proposées sans engagement. Ce qui peut être perçu comme une possibilité de liberté, mais peut aussi être un risque en cas de cession d'activité de la part de l'entreprise proposant l'offre, ou d'un changement dans l'offre proposée. Cette remarque est aussi valable pour les offres d'achat de surplus hors obligation d'achat.

Dans tous les cas, quand le producteur peut bénéficier de l'obligation d'achat, il bénéficiera d'une meilleure certitude de la rentabilité de son projet à long-terme que s'il choisit une offre de batterie virtuelle.

En effet, les contrats d'obligation d'achat sont signés avec un prix d'achat du surplus défini pour 20 ans. Ces contrats, mis en place dans le cadre de l'arrêté tarifaire en vigueur, permettent une visibilité et une sécurité concernant la valorisation à long terme du surplus de production, qui assure au producteur une rentabilité de son investissement.

Autoconsommation : stockage virtuel ou vente du surplus©HESPUL

 

Dernière Mise à jour : 21/10/2024
Article précédent Les batteries
Article suivant Les kits solaires Plug and Play

Un outil de découverte du photovoltaïque

Un potentiel insuffisant pour répondre aux objectifs de développement du photovoltaïque

Même avec un très fort taux d’équipements des ménages en kits photovoltaïques Plug and Play, ce type de produit a un potentiel largement insuffisant pour permettre une contribution significative du secteur résidentiel à l’atteinte des objectifs de développement du photovoltaïque à 2050 (voir hypothèse dans l’accordéon ci-dessous).
Les kits photovoltaïques peuvent néanmoins contribuer à la réalisation des objectifs en complément du développement prioritaire des installations en toitures de taille standard (par exemple 3 kWc (15 m2), 6 kWc (30 m2) ou 9 kWc (45 m2)), par exemple lorsque c’est impossible pour des questions de type de logement (appartement), de configuration (place, orientation, ombrages etc.), de cadre juridique (copropriété, location etc.) ou de capacité d’investissement. Dans ces cas, il peut être pertinent d’avoir recours un kit photovoltaïque.

  • Hypothèses utilisées pour qualifier le potentiel des kits Plug and Play

    Tous les scénarios de mix électrique à 2050 alignés avec la neutralité carbone prévoient un fort développement du photovoltaïque : en partant de 19 GWc à fin 2023, il faut atteindre de 70 GWc à 214 GWc selon les différentes hypothèses prises par RTE, l’ADEME et négaWatt .
    En combinant un scénario « moyen » à 140 GWc et la répartition 55% au sol / 45% sur bâtiments pris en compte par la Programmation Pluriannuelle de l’Energie (PPE) à l’horizon 2028 en vigueur (à date de publication de l'article en 2023), il faudrait atteindre 63 GWc en toitures en 2050 contre moins de 10 aujourd’hui.  Si l’on prend l’hypothèse raisonnable que le secteur résidentiel pourrait représenter 1/3 de ce total, soit 20 GWc, même l’équipement des 37 millions de logements existants en France d’un kit de 400 Wc ne suffirait pas.  
    Il suffirait en revanche pour atteindre ce chiffre que 10% seulement de ces mêmes logements soient équipés d’installations photovoltaïques en toitures de 6 kWc (30 m2) ce qui correspond à une part raisonnable des maisons individuelles en France.

Autres limites

Il faut savoir enfin que la présence d’un kit Plug and Play peut limiter la pose ultérieure d’une installation standard réalisée par un professionnel pour des raisons techniques ou juridiques, notamment dans les cas suivants :

  • L’installation d’un kit photovoltaïque Plug and Play est incompatible avec la présence d’une installation en autoconsommation avec vente des surplus. En effet, il n’est pas possible de garantir à l’acheteur des surplus (en général EDF OA) que ceux-ci ne proviennent pas du kit photovoltaïque.
  • Si le kit est installé sur une position centrale d’une toiture, il occupe déjà la place pertinente pour une autre installation et vient complexifier celle-ci.

Il n'existe pas à ce jour d'offre de prêt de kits pour pour expérimenter le photovoltaïque avant de se lancer dans une installation réalisée par un professionnel. Mais une plateforme de mise en relation pour acheter et revendre un kit a été mise en place pour favoriser le marché de seconde main, facilitant ainsi le passage à une installation de plus grande taille.

 

Comment le kit peut être un outil de développement du Photovoltaïque

Le kit solaire peut être un outil de développement du photovoltaïque s’il répond aux critères suivants :

  1. La commercialisation est portée par une structure qui propose un accompagnement des particuliers pour réaliser des installations photovoltaïques de taille plus importante par un professionnel. Ainsi, la structure oriente les particuliers vers le kit solaire uniquement lorsque cela est pertinent pour lui (ex : besoin d’expérimenter le photovoltaïque, être locataire de son logement etc.).
  2. Après une phase d’expérimentation, la structure propose de racheter le kit photovoltaïque au particulier, lui laissant ainsi l’opportunité de réaliser une installation plus grande en autoconsommation avec vente des surplus. Alternativement, le kit est uniquement prêté au particulier pour mener une phase d’expérimentation.
  3. La présence d’un marché de seconde main géré par un acteur fiable. Il permet d’acheter un kit de façon transitoire pour expérimenter le photovoltaïque, puis de le vendre une fois qu’il est décidé de réaliser une installation photovoltaïque par un professionnel.
  4. Les installations sont bien déclarées auprès du gestionnaire de réseau . Ceci peut être réalisé individuellement ou par centralisation des déclarations par la structure qui commercialise les kits ou la structure qui est à l’initiative de l’achat (ex : collectifs citoyens).

 

Quelles alternatives pour un particulier voulant s’impliquer dans la production photovoltaïque ?

Il existe plusieurs autres moyens de s’investir dans le développement photovoltaïque pour un particulier :

  1. Même avec des moyens limités, il est possible d’investir son argent ou donner de son temps à un collectif citoyen , notamment via le réseau Énergie Partagée, afin de solariser des toitures publiques ou privées à proximité. Ainsi, il est possible de profiter de l’effet de levier associé au financement de projet et à des économies d’échelle pour installer une puissance photovoltaïque plus importante pour une même somme d’argent investi.
  2. S’il est propriétaire d’une maison adaptée et en a les moyens financiers, il peut faire réaliser une installation de taille plus importante par un professionnel .
  3. S’il est copropriétaire, il peut initier un projet photovoltaïque sur les bâtiments de la copropriété .

Comment bien utiliser son kit photovoltaique plug AND play ?

Pour une utilisation d’un kit, il faut s’assurer d’un certain nombre de critères :

Partie pose :

  1. Installer le kit orienté le plus possible au sud, avec une inclinaison proche de 30°.
  2. Le fixer de préférence ou a minima le lester pour qu’il résiste aux intempéries.
  3. Le positionner hors de portée d’enfants ainsi qu’à l’écart d’activité qui pourraient endommager le matériel ou créer un risque électrique.


Partie administrative :

  1. Autorisation d’urbanisme : au-dessous de 3 kWc (15 m²), d’une hauteur de 1,80m en cas de pose au sol, et hors périmètre réglementé au titre du patrimoine, le kit est exempté d’autorisation. Sinon, il faut déposer une déclaration préalable de travaux en mairie.
  2. Assurances : il convient de vérifier auprès de son assurance de la prise en compte du kit en cas de sinistre.
  3. Garantie décennale : si le kit est installé sur une toiture récente (neuve ou refaite) il y a un risque de remise en cause de la garantie décennale du couvreur.

Partie électrique :
1. Engagement de non-injection sur le réseau : le producteur doit réaliser une CACSI (convention d'autoconsommation sans injection) auprès de son gestionnaire de réseau. Il s’engage ainsi sur la conformité du système aux règles de sécurité électrique (protection de découplage et norme NF C15-100). En effet, le demandeur s'engage dans la demande à :

  • Joindre une attestation de conformité visée par le CONSUEL
  • OU
  • Attester que l'installation de production :
    • a été entièrement fabriquée, assemblée et essayée en usine et n'a pas nécessité la création de circuits fixes sur site (pose de conducteurs et/ou leurs protections) : elle a par conséquent une puissance installée inférieure ou égale à 3 kVA et n'est pas associée à un dispositif de stockage d'énergie électrique ;
    • comporte un dispositif de découplage conforme ;
    • est raccordée sur un circuit électrique conforme aux prescriptions de sécurité de la NF C15-100 en vigueur (état et section des conducteurs, présence et adéquation des protections de ce circuit).

Pour les kits Plug and Play, c’est donc la deuxième partie du paragraphe précédent qui est utilisée pour valider la conformité électrique.

2. Il faut être équipé d’un compteur Linky. Sinon, il faut faire remplacer son compteur électromagnétique existant pour pouvoir brancher un kit Plug and Play.
3. Il faut s’assurer de la conformité électrique de l’installation résidentielle.

2024 kits plug and play.png

 

Le SER, Enerplan et l’ADEME (2023) ont publié un guide sur les kits photovoltaiques Plug and Play avec les préconisations de sécurité électrique associée et quelques rappels sur d’autres aspects.

Dernière Mise à jour : 21/10/2024
Article précédent Le stockage virtuel
Article suivant Les box pour l'autoconsommation

Les différents dispositifs existants

Pour piloter les charges électriques du bâtiment, il existe 3 grandes catégories de dispositifs :

Capture d’écran 2024-09-13 à 17.19.06.png

Source : Guide PACTE

Rentabilité des dispositifs de pilotage de charge

Avec des coûts pouvant aller de quelques dizaines d'euros (pour une horloge programmable) à plusieurs centaines d'euros (pour une "box autoconsommation"), la rentabilité n'est pas toujours assurée pour les dispositifs de pilotage de charge.

Il est important de se questionner sur les gains économiques engendrés par ce type de dispositif. Si une horloge programmable peut rapidement être rentabilisée en permettant de décaler certaines consommations, une box autoconso ne le sera pas obligatoirement.

En effet, si le surplus est minime, alors il pourra falloir de nombreuses années pour amortir le système.

Dernière Mise à jour : 21/10/2024
Article précédent Les kits solaires Plug and Play
Article suivant Les panneaux hybrides

Performances

Pour une puissance installée équivalente, la production annuelle d'électricité et d'eau chaude d'une installation hybride sera comparable à celle de deux installations distinctes, c'est à dire une installation photovoltaïque pure et un chauffe eau solaire séparé.

  • Les installations hybrides sont généralement préférées lorsque la surface en toiture est limitée,
  • Si la surface en toiture n'est pas limitée, le choix se porte généralement sur l'installation de deux systèmes dissociés afin d'obtenir un meilleur rendement thermique.

La comparaison des coûts entre les deux options permet d'orienter le choix final : de manière générale une installation hybride est supposée être moins chère que deux systèmes séparés.

Points de vigilances

choisir la meilleure offre

  • Faire réaliser plusieurs devis et comparer les offres : pour des capacités de production équivalentes, une solution hybride est supposée être moins chère que deux systèmes séparés.
  • Faire appel à une entreprise spécialisée à la fois sur les travaux de plomberie/chauffage, d’étanchéité et d’électricité : vérifier que l’entreprise dispose d’une qualification professionnelle qui permet d'obtenir un contrat en obligation d'achat pour l'électricité produite et qu'elle dispose également d’une attestation de formation par le fabricant.
  • Comme pour un système photovoltaïque simple, vérifier les estimations de productions (électricité et eau chaude) annoncées par le vendeur.

Détails techniques

  • Comme pour un chauffe-eau solaire individuel, un système hybride nécessite d'avoir un appoint pour la production d’eau chaude les jours moins ensoleillés.
  • Les systèmes hybrides élèvent l’eau à une température plus faible qu’un chauffe au solaire simple. Ceci présente l’avantage de limiter les risques de surchauffe. En revanche, à la différence d'un chauffe-eau solaire, il est probable qu'un appoint soit nécessaire y compris l'été.
  • La production d’eau chaude solaire est intéressante principalement lorsque la consommation d’eau chaude sanitaire est importante. L’intérêt sera donc limité pour une personne seule ou un couple économe.

Aide financière : Crédit d'impôt ou prime

 

En 2020, pour l'installation de panneaux hybrides, il est possible de bénéficier d'un crédit d'impôt ou d'une prime à condition de faire appel à une entreprise RGE pour réaliser les travaux. Le montant de cette aide est déterminé en fonction des revenus du ménage, des performances de l'installation et de la surface installée. Se renseigner auprès des conseillers du réseau FAIRE de son département.

Dernière Mise à jour : 21/10/2024
Article précédent Les box pour l'autoconsommation
Article suivant Les panneaux aérovoltaïques

Performances

La récupération d'air chaud en sous-face des panneaux joue un rôle d'appoint de chauffage et permet ainsi de réaliser des économies sur ses consommations de chauffage. Cependant, ces économies sont variables selon le niveau de performance thermique de la maison, son étanchéité à l’air ainsi que le mode de régulation du système de chauffage. De ce fait, elles sont difficilement quantifiables précisément.

La diffusion d'air chaud par le système aérovoltaïque est activée généralement lorsque la température sous les panneaux est supérieure de 2 à 3 °C par rapport à la température intérieure de la zone à chauffer. Ainsi, en considérant une température intérieure de 20°C, la récupération d'air chaud ne sera possible qu'à partir du moment où la température sous les panneaux atteindra 23°C. Pour cela, un niveau minimum d'irradiation est nécessaire et la température extérieure ne doit pas être trop basse. Ainsi, les premiers retours d'expériences montrent que les systèmes aérovoltaïques permettent de réaliser des économies principalement en intersaison.

A noter que les économies de chauffage sont possibles uniquement pendant les périodes de chauffe. Certains fabricants proposent de coupler le système aérovoltaïque avec un ballon thermodynamique afin d’augmenter les performances globales du système, notamment en été lorsque le chauffage est arrêté.

La ventilation des panneaux aérovoltaïques permet de refroidir le système photovoltaïque et donc d’améliorer ses performances. Une partie de ce gain est toutefois absorbée par la consommation électrique du moteur du ventilateur du système de récupération d'air chaud.

Points de vigilance

Choisir la meilleure offre

  • Faire réaliser plusieurs devis et comparer les offres : faire également réaliser un devis pour un système photovoltaïque simple pour constater le surcoût lié au système aérovoltaïque.
  • Vérifier les estimations d'économies de chauffage et les estimations de production d'électricité annoncées par le vendeur : les études sont souvent réalisées en se basant sur des maisons à haute performance énergétique (basse consommation BBC ou RT2012). Si ce n'est pas le cas de votre maison, les économies pourraient ne pas être au rendez-vous.
  • Valider que les économies de chauffage estimées permettent de justifier le surcoût du système aérovoltaïque : l'étude économique est à réaliser au cas par cas et il convient de garder un œil critique sur les résultats annoncés par les vendeurs.
  • Faire appel à une entreprise spécialisée à la fois sur les travaux d'aérolique/chauffage, d’étanchéité et d’électricité : vérifier que l’entreprise dispose d’une qualification professionnelle qui permet d'obtenir un contrat en obligation d'achat pour l'électricité produite et qu'elle dispose également d’une attestation de formation par le fabricant.

Détails techniques

  • Les économies de chauffage surviennent principalement en intersaison lorsque les températures extérieures sont plus clémentes et que l’ensoleillement est plus important.
  • Lorsqu'il fonctionne à pleine puissance, le bruit généré par le ventilateur du système de récupération d'air chaud peut entraîner des nuisances sonores.
  • Un système aérovoltaïque ne se substitue pas à un système de ventilation (Ventilation Mécanique Contrôlée, VMC) : le débit d’air soufflé étant variable (arrêt du ventilateur lorsque les panneaux ne sont pas assez chauds), il ne permet pas de répondre aux besoins de renouvellement d’air. Pour les mêmes raisons, il ne substitue pas non plus à un système de chauffage mais constitue uniquement un appoint.

Aide financière : fin du crédit d'impôt pour les systèmes aérovoltaïques en 2020

Depuis le 1er janvier 2020, le Crédit d'Impôt a disparu et il n'est pas encore sur que les ménages qui installent des systèmes aérovoltaïques pourront bénéficier d'une prime forfaitaire. Des informations complémentaires sont attendues à ce sujet. Pour en savoir plus, se renseginer auprès de son département.

Dernière Mise à jour : 21/10/2024

Batteries, stockage virtuel et autres accessoires

Les batteries

Un moyen d'augmenter le taux d'autoconsommation qui reste limité et peut dégrader le modèle économique et l'impact environnemental

Les batteries permettent de :

  • stocker le surplus d'électricité produit par les systèmes photovoltaïques lorsque la production dépasse la consommation,
  • et de la restituer lorsque la consommation dépasse la production.

La production de milieu de journée peut ainsi être stockée et restituée en fin de journée ou dans la soirée lorsque la demande en électricité est plus importante.

Cela permet d'augmenter le taux d'autoconsommation d'un système photovoltaïque, mais ne permet pour autant que rarement d'atteindre une autoconsommation totale de la production.

Les technologies de stockage

Définitions

Un dispositif de stockage de l'électricité permet de capter de l'électricité à un instant t, de la garder, et de la restituer plus tard moyennant une certaine perte liée au rendement du système. Il peut être mécanique (ex: station de transfert d'énergie par pompage, volant d'inertie),  électrochimique (ex: batteries au plomb, batterie lithium-ion...) ou même se faire sous forme d'hydrogène.

Etant donné les caractéristiques propres à chaque technologie de stockage (puissance, capacité énergétique, taux de décharge, réactivité), les batteries semblent répondre au mieux aux besoins des producteurs photovoltaïques.

Les batteries d'accumulateurs, souvent dénommées simplement batteries, sont des regroupements d'accumulateurs électrochimiques connectés en série ou en parallèle afin d'obtenir les niveaux de tension et d'intensité désirés.

Technologies

Il existe différentes technologies de batteries:

  • les batteries au plomb sont par exemple une technologie mature et peu chère, mais avec une faible durée de vie et une faible densité énergétique,
  • les batteries au nickel ont une durée de vie plus importante mais subissent des niveaux d'autodécharge très importants,
  • les batteries lithium-ion ont une grande densité énergétique, une durée de vie conséquente et un niveau d'autodécharge relativement faible ; cette technologie étant encore jeune, son prix est encore assez élevé, mais est voué à diminuer.

Les batteries au plomb ont longtemps été privilégiées pour un couplage avec les systèmes photovoltaïques, notamment dans le cas des sites isolés, mais elles ont été supplantées par les batteries lithium-ion ces dernières années.

Caractéristiques moyennes des différentes technologies de batterie en 2019 (Crédit : Programme PACTE)
  Plomb Nickel-Cadmium Nickel-Métal_hydrure Lithium-Ion
Tension cellule 2,0V 1,2 V 1,2 V 3,6 à 3,7V
Energie spécifique 25-50 Wh/kg 30-60 Wh/kg 50-90 Wh/kg 100-230 Wh/kg
Cycles 200-500 1 000-1 500 1 000 500-3 000
Domaine de température 0°C à 50°C -30°C à 50°C -20°C à 50°C -20°C à 50°C
Autodécharge* ~5 %/mois ~15 %/mois ~25%/mois ~2 %/mois
Durée de vie calendaire 5 ans 10 ans 5-10 ans 5-15 ans
Prix kWh (Pb base 100) 100 300 350 300 à 350
Temps de charge standard 10 h 5 h 3-5 h 3

*L'autodécharge d'une batterie est la réduction naturelle et progressive de son taux de charge lorsqu'elle n'est pas utilisée. L'autodécharge se produit en particulier lorsque la batterie n'est pas sollicitée pendant une période prolongée.

systèmes photovoltaïques avec batterie

Rôle de la batterie

Dans le cadre d'un projet photovoltaïque en autoconsommation totale ou partielle, l'installation d'une batterie peut permettre d'augmenter le taux d'autoconsommation (part de l'électricité photovoltaïque produite qui est directement consommée sur place). Lorsque la production est supérieure à la consommation, l'électricité excédentaire est stockée dans la batterie; elle est ensuite déstockée quand la consommation est supérieure à la production.

Le gain apporté par une batterie peut être évalué en phase de faisabilité en comparant la courbe de charge du bâtiment à un pas de temps horaire ou infra-horaire à des simulations de production du système photovoltaïque. Des logiciels permettent même d'optimiser le dimensionnement de la batterie en fonction d'objectifs précis.

Dans le cas où l'installation bénéficie d'un contrat d'obligation d'achat, il est stipulé qu'un dispositif technique doit être installé afin d'assurer que la batterie est uniquement chargée à partir d'électricité provenant du système photovoltaïque.

Evaluation technique

Plus la corrélation entre consommation et production est faible plus le gain apporté par une batterie est grand.

Dans un objectif de maximisation du taux d'autoconsommation d'un système PV, la plus-value apportée par la batterie est liée à la corrélation existante entre la consommation du bâtiment et la production photovoltaïque.

Evaluation économique

Il est rarement rentable d'installer un système de stockage pour une opération d'autoconsommation en France.

En permettant d'augmenter le taux d'autoconsommation d'un système PV, la batterie permet de faire des économies sur la facture d'électricité. Cependant, dans le cadre d'une opération en autoconsommation avec vente du surplus, la consommation supplémentaire d'électricité produite sur place est faite au détriment de la vente d'électricité. Le gain économique généré par une batterie dépend donc directement du gain technique qu'elle apporte en terme d'augmentation de l'autoconsommation.

Face à cela, les coûts supplémentaires induits par l'installation d'une batterie sont aujourd'hui très importants. Cela est principalement lié au coût du matériel dans un marché français encore émergent.

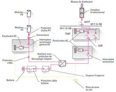
Protections

Un certain nombre d'organes de protections doivent être mis en place pour les systèmes PV avec batterie. Les protections spécifiques aux systèmes avec stockage sont listées dans la norme expérimentale XP C 15-712-3.

Le cas Allemand

Fin 2018, l'Allemagne comptait plus de 120 000 installations photovoltaïques combinées avec une batterie. En France, ce chiffre ne dépassait pas les quelques milliers. Pourquoi une telle différence entre les deux marchés ?

Cela réside essentiellement dans l'équilibre économique de ce type de projet.

Prenons l'exemple d'un particulier, avec un contrat de fourniture d'électricité de 6 kVA et possédant un système photovoltaïque de 3 kWc.

En France, ce particulier achète son électricité aux alentours de 15 c€/kWh, et peut vendre sa production photovoltaïque un peu plus de 18 c€/kWh (en cas de contrat d'achat en vente de la totalité). Il n'y a pas d'incitation économique à autoconsommer sa production photovoltaïque.

En Allemagne, ce même particulier dépense en moyenne 30 c€/kWh d'électricité consommé, soit presque le double qu'en France, et n'est rémunéré qu'un peu plus de 10 c€/kWh photovoltaïque produit. Il y a une forte incitation économique à autoconsommer l'énergie produite.

Impact écologique des batteries Lithium-ion

L'impact environnemental d'un projet photovoltaïque, initialement positif, peut se trouver dégradé par l'ajout d'une batterie.

Les batteries lithium-ion étant les plus installées aujourd'hui, ce sont elles dont l'impact écologique est analysé ici. L'analyse de cycle de vie d'un système photovoltaïque est quant à elle détaillée dans l'article "Impact environnemental de la fabrication".

La majorité du lithium mondial provient du "Triangle du Lithium", répartie sur les territoires argentins, boliviens et chiliens. Son extraction nécessite un très gros volume d'eau et peut être source de pollution pour l'environnement alentour avec la libération possible de produits chimiques. L'utilisation de cobalt et de nickel, qui sont deux métaux dont l'extraction est toxique, alourdit l'impact écologique de ces batteries au lithium. En 2017, 60% du cobalt utilisé dans le monde provenait de mines en République Démocratique du Congo au sein desquelles Amnesty International et African Resources Watch (Afrewatch) ont identifié des atteintes aux droits humains et du travail d'enfants.

Le coût écologique d'une batterie stationnaire peut cependant être diminué en utilisant par exemple des batteries usagées de véhicules électriques qui ne sont plus assez performantes pour de la mobilité.

Contrairement aux batteries au plomb, il n'existe pas de filière de recyclage des batteries lithium-ion. En fin de vie, les batteries peuvent donc être source de pollution tant qu'une filière de recyclage adaptée n'est pas mise en place.

Le stockage virtuel

Un moyen pour stocker sans batteries

Certains fournisseurs d'énergie proposent des offres de stockage d'électricité dans des "batteries" virtuelles. Ces offres permettent à un producteur d'électricité photovoltaïque de stocker virtuellement des kWh qui n'auraient pas été autoconsommés afin de les utiliser ultérieurement lorsque l'installation photovoltaïque ne produit pas (la nuit par exemple).

Un raccordement classique en injection du surplus

Comme son nom l'indique, une batterie virtuelle n'existe pas physiquement et il n'y a donc aucune différence technique au niveau de l'installation par rapport à un système photovoltaïque en autoconsommation avec vente du surplus.

En réalité, le surplus de production d'électricité est comptabilisé puis injecté sur le réseau. Puis, lorsqu'on utilise les kWh stockés dans la batterie virtuelle, on consomme en réalité de l'électricité du réseau. Ainsi, dans tous les cas, l'installation devra être raccordée au réseau public de distribution d'électricité en injection du surplus.

A noter qu'en cas de défaillance du réseau, la batterie virtuelle ne pourra en aucun cas assurer l'approvisionnement en électricité.

Pas de prime à l'autoconsommation dans le cas du stockage virtuel

Une électricité injectée qui n'est pas vendue mais créditée

puis perçue après paiement de contributions et taxes

Faire de l'autoconsommation avec stockage virtuel ne permet pas de percevoir de prime à l'autoconsommation ni de tarif rémunéré tel que prévu dans le cadre de l'obligation d'achat.

Souscrire à une offre de stockage virtuel implique de souscrire son contrat de fourniture d'électricité après du fournisseur de l'offre de batterie virtuelle. Il convient donc de se renseigner sur les tarifs de vente pratiqués par ce fournisseur.

De plus, l'électricité consommée après avoir été stockée dans la batterie virtuelle n'est pas gratuite. En effet, en plus du coût facturé par le fournisseur pour le service de batterie virtuelle, le consommateur doit s'acquitter des taxes et contributions sur les kWh issus de la batterie virtuelle puisque ces derniers sont acheminés par le réseau (Contribution au Service Public de l'Electricité, Taxe Départementale sur la Consommation Finale d'Electricité et Taxe Communale sur la Consommation Finale d'Electricité, TURPE). Sur le montant d'une facture d'électricité d'un particulier, ces taxes et contributions représentent environ 50% du prix HT.

A noter que dans certaines offres, la batterie est automatiquement vidée selon des périodes définies contractuellement (tous les mois par exemple), ce qui peut également impacter le modèle économique (par exemple, lors des fortes productions l'été et des potentiellement faibles consommations à cette même période).

Il faut aussi noter qu'il n'est pas facile de calculer la rentabilité d'une offre de batterie virtuelle. Selon l'opérateur choisi, l'offre peut être  constituée d'une part fixe de "frais d'entrée" et/ou d'un abonnement mensuel. Le coût de cet abonnement peut être basé sur la puissance de l'installation photovoltaïque (coût en euros par kWc) ou bien en fonction de la "capacité" de la batterie (coûts en euros par kWh de "stockage" disponible). Enfin, les offres de batterie virtuelle ne permettent pas de garantir une rentabilité sur le long-terme car les prix sont révisés régulièrement.

Stockage virtuel ou vente du surplus ?

L'avantage du stockage virtuel est qu'il n'est pas nécessaire de respecter les conditions d'application de l' arrêté tarifaire en vigueur pour pouvoir y souscrire. Une attestation CONSUEL est cependant nécessaire pour s'assurer de la conformité de l'installation.

Pour les producteurs ne pouvant pas avoir accès à l'obligation d'achat, cela permet de valoriser le surplus de production d'électricité photovoltaïque à un prix plus élevé que s'il était vendu à un acheteur sur le marché. Dans le cas du stockage virtuel, l'économie réalisée grâce au surplus de production ("stocké" virtuellement) est égale au prix du kWh du contrat de fourniture, auquel il faut retrancher les contributions et taxes (à savoir, le TURPE et l'accise). Cela équivaut à une économie d'environ 0,20 €HT/kWh (hors abonnement) par rapport au tarif réglementé (valeur S1 2024), contre 0,04 à 0,05 €HT/kWh s'il est vendu à un acheteur hors obligation d'achat.

On peut aussi relever que les offres de batteries virtuelles sont souvent proposées sans engagement. Ce qui peut être perçu comme une possibilité de liberté, mais peut aussi être un risque en cas de cession d'activité de la part de l'entreprise proposant l'offre, ou d'un changement dans l'offre proposée. Cette remarque est aussi valable pour les offres d'achat de surplus hors obligation d'achat.

Dans tous les cas, quand le producteur peut bénéficier de l'obligation d'achat, il bénéficiera d'une meilleure certitude de la rentabilité de son projet à long-terme que s'il choisit une offre de batterie virtuelle.

En effet, les contrats d'obligation d'achat sont signés avec un prix d'achat du surplus défini pour 20 ans. Ces contrats, mis en place dans le cadre de l'arrêté tarifaire en vigueur, permettent une visibilité et une sécurité concernant la valorisation à long terme du surplus de production, qui assure au producteur une rentabilité de son investissement.

Autoconsommation : stockage virtuel ou vente du surplus©HESPUL

 

Article précédent Les batteries
Article suivant Les kits solaires Plug and Play

Les kits solaires Plug and Play

Qu’est-ce que c’est ?

Un kit photovoltaïque Plug and Play est un produit photovoltaïque prêt à l’usage qui se branche directement sur une prise électrique standard. Sa production est destinée uniquement à être autoconsommée , sans injection ni vente d’électricité. Il sert donc à réaliser des économies sur le talon de consommation d’électricité en journée (ventilation, frigo, congélateur etc.).
Il est composé d’un ou plusieurs modules photovoltaïques, d’un micro-onduleur, d’un câble de connexion AC (avec ses éventuels connecteurs) et optionnellement d’un compteur.
Fixé ou simplement posé, il peut être positionné à différents endroits : au sol, sur un mur, en toiture, sur un balcon etc.
En 2023, sa puissance est en général de 300 à 400 Wc pour un panneau et un prix de 600 à 800 euros TTC. Certains modèles comportent deux panneaux, il faut alors s’assurer d’avoir un talon de consommation supérieur à la puissance installée. Au-delà de deux panneaux, il est rare d’avoir une consommation résiduelle suffisante, et il faut dans tous les cas être vigilant sur le câblage qui doit être correctement dimensionné. Attention à ne pas surcharger la prise de courant qui n’a peut-être pas été prévue pour supporter une telle puissance.

2024 kit presentation.pngsource : guide “kit photovoltaïque autoconsommation Plug and Play”, SER/Enerplan/ADEME, 2023

Un outil de découverte du photovoltaïque

Un potentiel insuffisant pour répondre aux objectifs de développement du photovoltaïque

Même avec un très fort taux d’équipements des ménages en kits photovoltaïques Plug and Play, ce type de produit a un potentiel largement insuffisant pour permettre une contribution significative du secteur résidentiel à l’atteinte des objectifs de développement du photovoltaïque à 2050 (voir hypothèse dans l’accordéon ci-dessous).
Les kits photovoltaïques peuvent néanmoins contribuer à la réalisation des objectifs en complément du développement prioritaire des installations en toitures de taille standard (par exemple 3 kWc (15 m2), 6 kWc (30 m2) ou 9 kWc (45 m2)), par exemple lorsque c’est impossible pour des questions de type de logement (appartement), de configuration (place, orientation, ombrages etc.), de cadre juridique (copropriété, location etc.) ou de capacité d’investissement. Dans ces cas, il peut être pertinent d’avoir recours un kit photovoltaïque.

  • Hypothèses utilisées pour qualifier le potentiel des kits Plug and Play

    Tous les scénarios de mix électrique à 2050 alignés avec la neutralité carbone prévoient un fort développement du photovoltaïque : en partant de 19 GWc à fin 2023, il faut atteindre de 70 GWc à 214 GWc selon les différentes hypothèses prises par RTE, l’ADEME et négaWatt .
    En combinant un scénario « moyen » à 140 GWc et la répartition 55% au sol / 45% sur bâtiments pris en compte par la Programmation Pluriannuelle de l’Energie (PPE) à l’horizon 2028 en vigueur (à date de publication de l'article en 2023), il faudrait atteindre 63 GWc en toitures en 2050 contre moins de 10 aujourd’hui.  Si l’on prend l’hypothèse raisonnable que le secteur résidentiel pourrait représenter 1/3 de ce total, soit 20 GWc, même l’équipement des 37 millions de logements existants en France d’un kit de 400 Wc ne suffirait pas.  
    Il suffirait en revanche pour atteindre ce chiffre que 10% seulement de ces mêmes logements soient équipés d’installations photovoltaïques en toitures de 6 kWc (30 m2) ce qui correspond à une part raisonnable des maisons individuelles en France.

Autres limites

Il faut savoir enfin que la présence d’un kit Plug and Play peut limiter la pose ultérieure d’une installation standard réalisée par un professionnel pour des raisons techniques ou juridiques, notamment dans les cas suivants :

  • L’installation d’un kit photovoltaïque Plug and Play est incompatible avec la présence d’une installation en autoconsommation avec vente des surplus. En effet, il n’est pas possible de garantir à l’acheteur des surplus (en général EDF OA) que ceux-ci ne proviennent pas du kit photovoltaïque.
  • Si le kit est installé sur une position centrale d’une toiture, il occupe déjà la place pertinente pour une autre installation et vient complexifier celle-ci.

Il n'existe pas à ce jour d'offre de prêt de kits pour pour expérimenter le photovoltaïque avant de se lancer dans une installation réalisée par un professionnel. Mais une plateforme de mise en relation pour acheter et revendre un kit a été mise en place pour favoriser le marché de seconde main, facilitant ainsi le passage à une installation de plus grande taille.

 

Comment le kit peut être un outil de développement du Photovoltaïque

Le kit solaire peut être un outil de développement du photovoltaïque s’il répond aux critères suivants :

  1. La commercialisation est portée par une structure qui propose un accompagnement des particuliers pour réaliser des installations photovoltaïques de taille plus importante par un professionnel. Ainsi, la structure oriente les particuliers vers le kit solaire uniquement lorsque cela est pertinent pour lui (ex : besoin d’expérimenter le photovoltaïque, être locataire de son logement etc.).
  2. Après une phase d’expérimentation, la structure propose de racheter le kit photovoltaïque au particulier, lui laissant ainsi l’opportunité de réaliser une installation plus grande en autoconsommation avec vente des surplus. Alternativement, le kit est uniquement prêté au particulier pour mener une phase d’expérimentation.
  3. La présence d’un marché de seconde main géré par un acteur fiable. Il permet d’acheter un kit de façon transitoire pour expérimenter le photovoltaïque, puis de le vendre une fois qu’il est décidé de réaliser une installation photovoltaïque par un professionnel.
  4. Les installations sont bien déclarées auprès du gestionnaire de réseau . Ceci peut être réalisé individuellement ou par centralisation des déclarations par la structure qui commercialise les kits ou la structure qui est à l’initiative de l’achat (ex : collectifs citoyens).

 

Quelles alternatives pour un particulier voulant s’impliquer dans la production photovoltaïque ?

Il existe plusieurs autres moyens de s’investir dans le développement photovoltaïque pour un particulier :

  1. Même avec des moyens limités, il est possible d’investir son argent ou donner de son temps à un collectif citoyen , notamment via le réseau Énergie Partagée, afin de solariser des toitures publiques ou privées à proximité. Ainsi, il est possible de profiter de l’effet de levier associé au financement de projet et à des économies d’échelle pour installer une puissance photovoltaïque plus importante pour une même somme d’argent investi.
  2. S’il est propriétaire d’une maison adaptée et en a les moyens financiers, il peut faire réaliser une installation de taille plus importante par un professionnel .
  3. S’il est copropriétaire, il peut initier un projet photovoltaïque sur les bâtiments de la copropriété .

Comment bien utiliser son kit photovoltaique plug AND play ?

Pour une utilisation d’un kit, il faut s’assurer d’un certain nombre de critères :

Partie pose :

  1. Installer le kit orienté le plus possible au sud, avec une inclinaison proche de 30°.
  2. Le fixer de préférence ou a minima le lester pour qu’il résiste aux intempéries.
  3. Le positionner hors de portée d’enfants ainsi qu’à l’écart d’activité qui pourraient endommager le matériel ou créer un risque électrique.


Partie administrative :

  1. Autorisation d’urbanisme : au-dessous de 3 kWc (15 m²), d’une hauteur de 1,80m en cas de pose au sol, et hors périmètre réglementé au titre du patrimoine, le kit est exempté d’autorisation. Sinon, il faut déposer une déclaration préalable de travaux en mairie.
  2. Assurances : il convient de vérifier auprès de son assurance de la prise en compte du kit en cas de sinistre.
  3. Garantie décennale : si le kit est installé sur une toiture récente (neuve ou refaite) il y a un risque de remise en cause de la garantie décennale du couvreur.

Partie électrique :
1. Engagement de non-injection sur le réseau : le producteur doit réaliser une CACSI (convention d'autoconsommation sans injection) auprès de son gestionnaire de réseau. Il s’engage ainsi sur la conformité du système aux règles de sécurité électrique (protection de découplage et norme NF C15-100). En effet, le demandeur s'engage dans la demande à :

  • Joindre une attestation de conformité visée par le CONSUEL
  • OU
  • Attester que l'installation de production :
    • a été entièrement fabriquée, assemblée et essayée en usine et n'a pas nécessité la création de circuits fixes sur site (pose de conducteurs et/ou leurs protections) : elle a par conséquent une puissance installée inférieure ou égale à 3 kVA et n'est pas associée à un dispositif de stockage d'énergie électrique ;
    • comporte un dispositif de découplage conforme ;
    • est raccordée sur un circuit électrique conforme aux prescriptions de sécurité de la NF C15-100 en vigueur (état et section des conducteurs, présence et adéquation des protections de ce circuit).

Pour les kits Plug and Play, c’est donc la deuxième partie du paragraphe précédent qui est utilisée pour valider la conformité électrique.

2. Il faut être équipé d’un compteur Linky. Sinon, il faut faire remplacer son compteur électromagnétique existant pour pouvoir brancher un kit Plug and Play.
3. Il faut s’assurer de la conformité électrique de l’installation résidentielle.

2024 kits plug and play.png

 

Le SER, Enerplan et l’ADEME (2023) ont publié un guide sur les kits photovoltaiques Plug and Play avec les préconisations de sécurité électrique associée et quelques rappels sur d’autres aspects.

Article précédent Le stockage virtuel
Article suivant Les box pour l'autoconsommation

Les box pour l'autoconsommation

Pourquoi vouloir optimiser son autoconsommation

Lorsque l'on valorise sa production via l'autoconsommation et un contrat de vente du surplus, il est avantageux économiquement de maximiser son taux d'autoconsommation. Effectivement, dans de nombreux cas le prix de vente du kWh de surplus est souvent inférieur au prix d'achat du kWh, il est donc plus intéressant économiquement de valoriser les kWh produit sous la forme de l'autoconsommation qu'en l'injectant sur le réseau.

Dans ce contexte, il peut être tentant de diminuer la taille de leur installation, pour limiter le surplus non autoconsommé sur place. Cela a pour conséquence de diminuer la contribution du système aux objectifs de la transition énergétique (sous-dimensionnement par rapport au potentiel de la toiture) et d'augmenter le coût de l'installation en €/Wc (coût du matériel plus élevé en petite quantité).

Pour maximiser son taux d'autoconsommation sans diminuer la taille de son installation, il reste envisageable de piloter les consommations du bâtiment.

Pour cela, il est possible de décaler "manuellement" ses consommations, en effectuant par exemple ces machines à laver lors des pics de production, mais aussi d'utiliser des dispositifs de pilotage de charges, parfois appelés "box autoconsommation".

Les différents dispositifs existants

Pour piloter les charges électriques du bâtiment, il existe 3 grandes catégories de dispositifs :

Capture d’écran 2024-09-13 à 17.19.06.png

Source : Guide PACTE

Rentabilité des dispositifs de pilotage de charge

Avec des coûts pouvant aller de quelques dizaines d'euros (pour une horloge programmable) à plusieurs centaines d'euros (pour une "box autoconsommation"), la rentabilité n'est pas toujours assurée pour les dispositifs de pilotage de charge.

Il est important de se questionner sur les gains économiques engendrés par ce type de dispositif. Si une horloge programmable peut rapidement être rentabilisée en permettant de décaler certaines consommations, une box autoconso ne le sera pas obligatoirement.

En effet, si le surplus est minime, alors il pourra falloir de nombreuses années pour amortir le système.

Article précédent Les kits solaires Plug and Play
Article suivant Les panneaux hybrides

Les panneaux hybrides

Les panneaux dits hybrides sont composés de capteurs photovoltaïques et d’un système d'échange de chaleur à eau permettant de produire de l’eau chaude et, par la même occasion, de refroidir le panneau. Cette eau peut alors être utilisée pour produire de l'eau chaude sanitaire ou pour des besoins de chauffage.

Cette solution permet de combiner production d’électricité et de chaleur pour une surface en toiture limitée. Le refroidissement des panneaux grâce au circuit d’eau permet une légère augmentation de leur rendement par rapport à une installation intégrée purement photovoltaïque.

Performances

Pour une puissance installée équivalente, la production annuelle d'électricité et d'eau chaude d'une installation hybride sera comparable à celle de deux installations distinctes, c'est à dire une installation photovoltaïque pure et un chauffe eau solaire séparé.

  • Les installations hybrides sont généralement préférées lorsque la surface en toiture est limitée,
  • Si la surface en toiture n'est pas limitée, le choix se porte généralement sur l'installation de deux systèmes dissociés afin d'obtenir un meilleur rendement thermique.

La comparaison des coûts entre les deux options permet d'orienter le choix final : de manière générale une installation hybride est supposée être moins chère que deux systèmes séparés.

Points de vigilances

choisir la meilleure offre

  • Faire réaliser plusieurs devis et comparer les offres : pour des capacités de production équivalentes, une solution hybride est supposée être moins chère que deux systèmes séparés.
  • Faire appel à une entreprise spécialisée à la fois sur les travaux de plomberie/chauffage, d’étanchéité et d’électricité : vérifier que l’entreprise dispose d’une qualification professionnelle qui permet d'obtenir un contrat en obligation d'achat pour l'électricité produite et qu'elle dispose également d’une attestation de formation par le fabricant.
  • Comme pour un système photovoltaïque simple, vérifier les estimations de productions (électricité et eau chaude) annoncées par le vendeur.

Détails techniques

  • Comme pour un chauffe-eau solaire individuel, un système hybride nécessite d'avoir un appoint pour la production d’eau chaude les jours moins ensoleillés.
  • Les systèmes hybrides élèvent l’eau à une température plus faible qu’un chauffe au solaire simple. Ceci présente l’avantage de limiter les risques de surchauffe. En revanche, à la différence d'un chauffe-eau solaire, il est probable qu'un appoint soit nécessaire y compris l'été.
  • La production d’eau chaude solaire est intéressante principalement lorsque la consommation d’eau chaude sanitaire est importante. L’intérêt sera donc limité pour une personne seule ou un couple économe.

Aide financière : Crédit d'impôt ou prime

 

En 2020, pour l'installation de panneaux hybrides, il est possible de bénéficier d'un crédit d'impôt ou d'une prime à condition de faire appel à une entreprise RGE pour réaliser les travaux. Le montant de cette aide est déterminé en fonction des revenus du ménage, des performances de l'installation et de la surface installée. Se renseigner auprès des conseillers du réseau FAIRE de son département.

Article précédent Les box pour l'autoconsommation
Article suivant Les panneaux aérovoltaïques

Les panneaux aérovoltaïques

Les systèmes aérovoltaïques sont des capteurs photovoltaïques dont la face arrière est ventilée dans le but de récupérer de l'air chaud pour le diffuser dans une zone à chauffer ou dans la prise d’air d’un ballon thermodynamique. La ventilation des panneaux permet une légère augmentation de leur rendement par rapport à une installation intégrée simple.

Performances

La récupération d'air chaud en sous-face des panneaux joue un rôle d'appoint de chauffage et permet ainsi de réaliser des économies sur ses consommations de chauffage. Cependant, ces économies sont variables selon le niveau de performance thermique de la maison, son étanchéité à l’air ainsi que le mode de régulation du système de chauffage. De ce fait, elles sont difficilement quantifiables précisément.

La diffusion d'air chaud par le système aérovoltaïque est activée généralement lorsque la température sous les panneaux est supérieure de 2 à 3 °C par rapport à la température intérieure de la zone à chauffer. Ainsi, en considérant une température intérieure de 20°C, la récupération d'air chaud ne sera possible qu'à partir du moment où la température sous les panneaux atteindra 23°C. Pour cela, un niveau minimum d'irradiation est nécessaire et la température extérieure ne doit pas être trop basse. Ainsi, les premiers retours d'expériences montrent que les systèmes aérovoltaïques permettent de réaliser des économies principalement en intersaison.

A noter que les économies de chauffage sont possibles uniquement pendant les périodes de chauffe. Certains fabricants proposent de coupler le système aérovoltaïque avec un ballon thermodynamique afin d’augmenter les performances globales du système, notamment en été lorsque le chauffage est arrêté.

La ventilation des panneaux aérovoltaïques permet de refroidir le système photovoltaïque et donc d’améliorer ses performances. Une partie de ce gain est toutefois absorbée par la consommation électrique du moteur du ventilateur du système de récupération d'air chaud.

Points de vigilance

Choisir la meilleure offre

  • Faire réaliser plusieurs devis et comparer les offres : faire également réaliser un devis pour un système photovoltaïque simple pour constater le surcoût lié au système aérovoltaïque.
  • Vérifier les estimations d'économies de chauffage et les estimations de production d'électricité annoncées par le vendeur : les études sont souvent réalisées en se basant sur des maisons à haute performance énergétique (basse consommation BBC ou RT2012). Si ce n'est pas le cas de votre maison, les économies pourraient ne pas être au rendez-vous.
  • Valider que les économies de chauffage estimées permettent de justifier le surcoût du système aérovoltaïque : l'étude économique est à réaliser au cas par cas et il convient de garder un œil critique sur les résultats annoncés par les vendeurs.
  • Faire appel à une entreprise spécialisée à la fois sur les travaux d'aérolique/chauffage, d’étanchéité et d’électricité : vérifier que l’entreprise dispose d’une qualification professionnelle qui permet d'obtenir un contrat en obligation d'achat pour l'électricité produite et qu'elle dispose également d’une attestation de formation par le fabricant.

Détails techniques

  • Les économies de chauffage surviennent principalement en intersaison lorsque les températures extérieures sont plus clémentes et que l’ensoleillement est plus important.
  • Lorsqu'il fonctionne à pleine puissance, le bruit généré par le ventilateur du système de récupération d'air chaud peut entraîner des nuisances sonores.
  • Un système aérovoltaïque ne se substitue pas à un système de ventilation (Ventilation Mécanique Contrôlée, VMC) : le débit d’air soufflé étant variable (arrêt du ventilateur lorsque les panneaux ne sont pas assez chauds), il ne permet pas de répondre aux besoins de renouvellement d’air. Pour les mêmes raisons, il ne substitue pas non plus à un système de chauffage mais constitue uniquement un appoint.

Aide financière : fin du crédit d'impôt pour les systèmes aérovoltaïques en 2020

Depuis le 1er janvier 2020, le Crédit d'Impôt a disparu et il n'est pas encore sur que les ménages qui installent des systèmes aérovoltaïques pourront bénéficier d'une prime forfaitaire. Des informations complémentaires sont attendues à ce sujet. Pour en savoir plus, se renseginer auprès de son département.

Dernière Mise à jour : 21/10/2024

Publications


A voir également

Chapitre | Tarifs d'achat et autoconsommation
Autoconsommation individuelle